Media
Acids & lyes
Waste water
Chlorine water
Electrolyte
Industry
Chemical industry
Pesticide
Acid and alkali making
Papermaking
Acid pickle process
ElectronicsIndustry
Range of application
Pressure Limitation: <1.0MPa
Temperature range: -20°C ~ 80°C
Ambient temperature: 0~ 40°C
Ambient humidity: 35~85%RH
Notice:
Slurries should not be handled;
The liquid's maximum partical and crystal content should be no more than 10%;
This pump is not allowed to transfer a mass of bubbles;
Viscosity of the medium influences the performance of the pump.
-Patent product, which is designed according to IHF centrifugal pump structure. It is installed with the double volute self-priming pump casing on IHF pump, with simple structure and wide application.
-Corrosion and pressure resistance, wetted parts are made of corrosion resistant fluoroplastic. With these advantages, FZB pumps are suitable for high corrosive applications. Pump base plate is made of metal, which makes the pump available to high pressure resistance applications.
-Easy for operating
Developed for low sump application, pump installed above the sump or tank, which is easy to operate, maintain and repair.

Table 1, Close coupled type
|
Item
|
Model
|
Flow (m3/h)
|
Head (m)
|
Efficiency (%)
|
NPSHa (m)
|
Inlet x outlet (mm)
|
Self-priming height ( m)
|
Self-priming time ( seconds)
|
Speed z (RPM)
|
Power (KW)
|
Pump and motor weight (kg)
|
|
1
|
40FZB-20
|
5
|
22
|
35
|
3.00
|
40x50
|
1
|
180
|
2900
|
3
|
160
|
|
*8
|
20
|
42
|
|
12
|
17
|
40
|
|
2
|
50FZB-20
|
8
|
22
|
35
|
3.00
|
50x50
|
1
|
180
|
2900
|
3
|
160
|
|
*12
|
20
|
42
|
|
15
|
17
|
40
|
Table 2:Coupling type
|
Item
|
Model
|
Flow (m3/h)
|
Head (m)
|
Efficiency (%)
|
NPSHa (m)
|
Inlet x outlet (mm)
|
Self-priming height ( m)
|
Self-priming time ( seconds)
|
Speed z (RPM)
|
Power (KW)
|
Pump and motor weight (kg)
|
|
1
|
25FZB-20L
|
1.5
|
19
|
10
|
3.00
|
25x25
|
1
|
180
|
2900
|
2.2
|
65
|
|
*3.6
|
18
|
20
|
|
6
|
16
|
30
|
|
*8
|
20
|
42
|
|
12
|
17
|
40
|
|
2
|
40FZB-30L
|
5
|
32
|
24
|
3.50
|
40x50
|
3
|
150
|
2900
|
4
|
47
|
|
*8
|
30
|
48
|
|
12
|
28
|
45
|
|
*12
|
20
|
42
|
|
15
|
17
|
40
|
|
3
|
50FZB-30L
|
8
|
32
|
24
|
3.50
|
50x50
|
3
|
150
|
2900
|
4
|
47
|
|
*12
|
30
|
48
|
|
15
|
28
|
45
|
|
4
|
50FZB-45L
|
8
|
47
|
24
|
3.50
|
50x32
|
3
|
150
|
2900
|
7.5
|
160
|
|
*12
|
45
|
35
|
|
15
|
43
|
32
|
|
5
|
50FZB-70L
|
8
|
72
|
20
|
4.00
|
50x32
|
3
|
150
|
2900
|
15
|
310
|
|
*12
|
70
|
26
|
|
25
|
65
|
39
|
|
6
|
60FZB-30L
|
15
|
32
|
40
|
4.00
|
65x50
|
3
|
200
|
2900
|
7.5
|
320
|
|
*25
|
30
|
55
|
|
35
|
27
|
48
|
|
7
|
65FZB-45L
|
15
|
47
|
30
|
4.00
|
65x40
|
3
|
180
|
2900
|
11
|
210
|
|
*25
|
45
|
42
|
|
35
|
38
|
44
|
|
8
|
65FZB-70L
|
15
|
72
|
30
|
4.00
|
65x40
|
3
|
180
|
2900
|
30
|
300
|
|
*25
|
70
|
41
|
|
35
|
65
|
42
|
|
9
|
80FZB-30L
|
35
|
32
|
54
|
4.50
|
80x65
|
3
|
150
|
2900
|
11
|
530
|
|
*50
|
30
|
58
|
|
60
|
25
|
48
|
|
10
|
80FZB-45L
|
35
|
47
|
45
|
4.50
|
80x65
|
3
|
180
|
2900
|
15
|
284
|
|
*50
|
45
|
53
|
|
60
|
42
|
46
|
|
11
|
80FZB-70L
|
35
|
72
|
45
|
5.00
|
80x50
|
3
|
200
|
2900
|
30
|
330
|
|
*50
|
70
|
50
|
|
60
|
65
|
43
|
|
12
|
100FZB-30L
|
65
|
32
|
54
|
6.00
|
100x80
|
3
|
150
|
2900
|
18.5
|
390
|
|
*100
|
30
|
60
|
|
110
|
26
|
54
|
|
13
|
100FZB-45L
|
65
|
46
|
48
|
6.00
|
100x80
|
3
|
150
|
2900
|
30
|
500
|
|
*100
|
45
|
55
|
|
110
|
40
|
48
|
Remark:
-item marked with”*”for standard parameter
-Please choose similar or same parameter pump, if the parameter is not in the range of this table, we could improve it according to on site application.
-If flow rate is too small, the outlets add backflow connection.
-Motor phase: 2 phase
-If liquid specific gravity is more than 1.3g/cm3, the motor power should be added.
-If liquid with HF acid or some other type special liquid, spare parts material will be changed according to liquid.
-Self priming height= 3m@water liquid/liquid density

|
Item
|
Designation
|
Material
|
|
1
|
Pump housing
|
Cast iron HT200 with FEP/ PFA
|
|
2
|
Impeller
|
FEP fused with PTFE / PFA
|
|
3
|
Seal ring
|
Fluorubber
|
|
4
|
Pump cover
|
Cast iron HT200 with FEP/ PFA
|
|
5
|
Mechanical seal cover
|
SUS321 stainless steel
|
|
6
|
Mechanical seal
|
Silicon carbide ,hard alloy
|
|
7
|
Bearing box
|
Cast iron HT200 with F46
|
|
8
|
Pump shaft
|
45# Steel
|
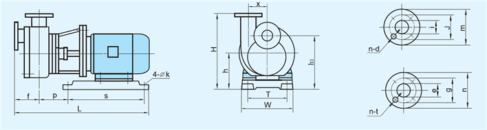
Installation drawing

|
Serial
|
Model
|
Exterior and installation dimension
|
Inlet flange dimension
|
Outlet flange dimension
|
|
L
|
S
|
P
|
f
|
W
|
T
|
H
|
h
|
h1
|
x
|
k
|
i
|
j
|
m
|
n-Ød
|
e
|
g
|
n
|
n-Øt
|
|
Short bracket
|
40FZB-20
|
590
|
310
|
160
|
110
|
220
|
170
|
305
|
140
|
240
|
65
|
12
|
40
|
100
|
130
|
4-Ø13
|
50
|
100
|
130
|
4-Ø13
|
|
50FZB-20
|
590
|
310
|
160
|
110
|
220
|
170
|
305
|
140
|
240
|
65
|
12
|
40
|
100
|
130
|
4-Ø13
|
50
|
100
|
130
|
4-Ø13
|
Table 1: Coupling type installation drawing

|
Serial
|
Model
|
Exterior and installation dimension
|
Inlet flange dimension
|
Outlet flange dimension
|
|
L
|
S
|
P
|
f
|
W
|
T
|
H
|
h
|
h1
|
x
|
k
|
i
|
j
|
m
|
n-Ød
|
e
|
g
|
n
|
n-Øt
|
|
Longbracket
|
25FZB-20L
|
750
|
440
|
232
|
110
|
280
|
240
|
306
|
162
|
240
|
-60
|
16
|
25
|
85
|
120
|
4-Ø13
|
25
|
85
|
120
|
4-Ø13
|
|
40FZB-30L
|
1150
|
590
|
290
|
205
|
390
|
330
|
508
|
232
|
342
|
90
|
25
|
40
|
125
|
165
|
4-Ø18
|
50
|
125
|
165
|
4-Ø18
|
|
50FZB-30L
|
1150
|
590
|
290
|
205
|
390
|
330
|
508
|
232
|
342
|
90
|
25
|
50
|
125
|
165
|
4-Ø18
|
50
|
125
|
165
|
4-Ø18
|
|
65FZB-30L
|
1230
|
650
|
355
|
250
|
450
|
380
|
520
|
232
|
342
|
98
|
25
|
65
|
145
|
185
|
4-Ø18
|
50
|
125
|
165
|
4-Ø18
|
|
80FZB-30L
|
1240
|
720
|
330
|
210
|
485
|
435
|
520
|
260
|
370
|
110
|
24
|
80
|
160
|
200
|
8-Ø18
|
65
|
145
|
185
|
4-Ø18
|
|
50FZB-45L
|
1190
|
650
|
320
|
200
|
450
|
380
|
610
|
260
|
410
|
112
|
25
|
50
|
125
|
165
|
4-Ø18
|
32
|
100
|
135
|
4-Ø18
|
|
65FZB-45L
|
1400
|
720
|
321
|
223
|
485
|
435
|
642
|
260
|
425
|
114
|
25
|
65
|
145
|
185
|
4-Ø18
|
40
|
110
|
150
|
4-Ø18
|
|
80FZB-45L
|
1370
|
720
|
370
|
260
|
485
|
435
|
590
|
260
|
440
|
120
|
24
|
80
|
160
|
200
|
8-Ø18
|
65
|
145
|
185
|
4-Ø18
|
|
100FZB-30L
|
1380
|
720
|
430
|
290
|
485
|
435
|
695
|
280
|
460
|
128
|
25
|
100
|
180
|
220
|
8-Ø18
|
80
|
160
|
200
|
8-Ø18
|
|
100FZB-45L
|
1758
|
940
|
460
|
285
|
610
|
540
|
715
|
300
|
480
|
130
|
25
|
100
|
180
|
220
|
8-Ø18
|
80
|
160
|
200
|
8-Ø18
|
Table 2: Flange dimension
|
S/N
|
Model
|
Inlet flange dimension
|
Outlet flange dimension
|
|
c
|
a
|
b
|
e
|
n-Ød
|
k
|
g
|
i
|
j
|
n-Øt
|
|
1
|
25FZB-20L
|
25
|
120
|
85
|
18
|
4月11日
|
25
|
120
|
18
|
|
4月11日
|
|
2
|
40FZB-20
|
40
|
165
|
125
|
20
|
4月18日
|
50
|
165
|
|
|
|